APG-NVR-8816-K-A-L-AF-DVR-Ⅱ-A/0+16-16(A2-2)-D

NVR嵌入式网络硬盘录像机

产品咨询
400-4008-999 拨打全国热线了解更多

1,全面支持ONVIF 及GB/T28181 标准

2,16路H.265/H.264混合接入实时录像

3,支持HDMI超高清4K显示

4,支持2个HDMI和1个VGA,双屏拼接、扩展

5,支持2个千兆网卡

6,4个通道录像同步回放

7,接入图像质量12MP/8MP/6MP/5MP/3MP/1080P/720P

8,360接入/360M存储/300M转发

9,8个SATA硬盘接口,最大支持6TB硬盘


APG-NVR-8816-K-A-L-AF-DVR--A/0+16-16(A2-2)-D

系统

主处理器

工业级嵌入式微控制器

操作系统

嵌入式LINUX操作系统

系统资源

360M接入/360M存储/300M转发

视频参数

画面显示

1/4/8/9/16/32画面显示(双屏拼接、扩展)

录像图像质量

12MP/8MP/6MP/5MP/3MP/1080P/720P/D1/CIF

视频压缩标准

H.265/H.264/MPEG

码流类型

限定码流,可变码流

回放图像质量

4K/1080P/720P/D1/CIF/QCIF

录像管理

本地回放

支持4路同步回放

录像查询方式

智能时间标签、时间点检索、日历检索、事件检索、通道检索

录像保存

本机硬盘/网络

备份方式

网络/USB/本机硬盘/eSATA

视频

视频输入

16H.265/H.264混合接入

VGA输出

1VGA(最高1080P显示输出)

HDMI输出

2HDMIHDMI1(最高4K显示输出)HDMI2(最高1080P显示输出)

音频

音频压缩

G.711

音频对讲输入

1BNC

音频输出

1BNC

外部I/O

报警输入

16路报警输入

报警输出

4路继电器输出(24V DC 2A120V AC 1A)

RS485接口

2RS485

RS232接口

1RS232

USB接口

2USB2.01USB3.0

LED

支持时间,网络状态,硬盘状态,报警状态等信息提示

面板键盘

支持数字/字母输入,录像回放控制,云台控制,功能导航等

硬盘

硬盘

8块硬盘

eSATA接口

2

硬盘容量

3.5500/750GB/1TB/2TB/3TB/4TB/6TB , SATA 磁盘

硬盘安装

支持热插拔

网络特性

网络键盘

支持

网络接口

2RJ45 10M/100M/1000M自适应以太网口

电气特性

电源

AC220V

功耗

35W(不含硬盘)

物理特性

工作温度

-10℃~+55

工作湿度

10%90% RH

大气压

86kpa106kpa

机箱

19英寸标准2U机箱

外型尺寸

438()x433()x88()mm

重量

6.5kg

安装方式

机架安装,台式安装

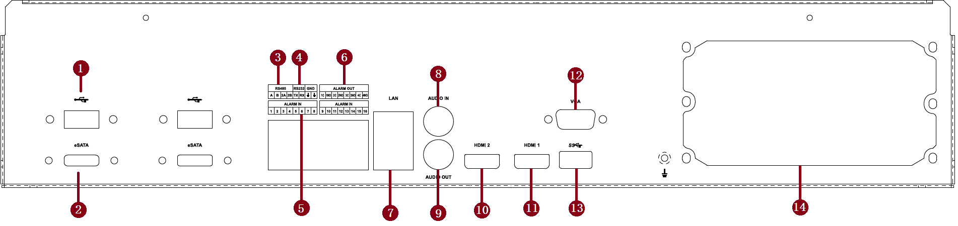
1 –USB接口

2 –eSATA接口

3 –RS485

4 –RS232

5 –报警输入

6 –报警输出

7 –网络接口

8 –音频输入

9 –音频输出

10 –HDMI接口

11 –HDMI接口

12 –VGA接口

13 –USB接口

14 –电源接口

联系我们

联系我们

400-631-6166
产品目录

产品目录